VDW Verein Deutscher Werkzeugmaschinenfabriken e.V.
Artikel | 26.02.2026
CBL Datenrettung rettet Meeresforschungsdaten
Artikel | 26.02.2026
Meta und AMD vereinbaren Lieferung von KI-Chips im Wert von 60 Mrd. US-Dollar
Artikel | 26.02.2026
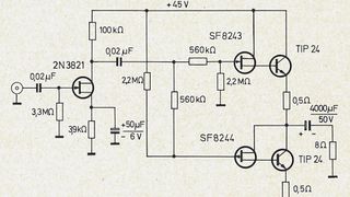
Feldeffekttransistoren in Leistungsverstärkern
Artikel | 26.02.2026
Stoßmodifizierte Langketten-Polyamide für extreme Bedingungen
Artikel | 26.02.2026
Der Wegbereiter der elektronischen Verstärkung: Lee de Forest und das Audion
Artikel | 26.02.2026
Warum Spülen in der Fertigung über Erfolg oder Ausschuss entscheidet
Artikel | 26.02.2026
WatchGuard: Drei Jahrzehnte Garant für IT-Sicherheit
Artikel | 26.02.2026
Ist Online only tot? Der E-Commerce braucht eine neue physische Realität